Hlavní přehled   |   Info a nápověda Přihlásit   |   Registrovat
 
 
Akula     (str. 2 z 10)
Sekce: Zdroje energie - Převratné i běžné
   |   Rolovat dolů
Zdroj elektřiny na principu rezonance bez pohyblivých částí  Str.: 1, 2, 3, 4, ... 10  

Psát příspěvky můžete po přihlášení

Poslední příspěvek z předchozí strany:
kefalin  ZDE JE JEDNA VARIANTA KTEROU JSEM ZAČAL REALIZOVAT. https://s22.postimg.cc/tk5kt7o8x/FINL_SCHE...

Pafixa    Schval. r.
02.09.2018 09:54
Bydliště: Masada
2464 138 2267 
  kefalin napsal(a):    elektroniku mám již ve stavu oživování,mohu se optat odborníků u synchronizační jednotky integráč 7414 vývod č.8 měl bych ze měřit osciloskopem udaný průběh F= 1-2 MHz pokud spustím samostatně jen tento obvod,díky.

No je tomu tak, častota je nastavení frekvence a skvažnost je střída pulzů.
 
Zvláštní ocenění za úsilí nebo přínosPozitivní ohlasy Označit příspěvek Zarážka - Až sem mám přečtenoCitovat a odpovědět

banjo   
27.12.2018 22:14
Bydliště: Třinec
35 13 
Kulubachov funguje u mé konstrukce nejlíp na kmitočtu puš pulu 15,626 kHz
účinnost je hrozně malá . Asi velmi nepřesně 70%
 
Zvláštní ocenění za úsilí nebo přínosPozitivní ohlasy Označit příspěvek Zarážka - Až sem mám přečtenoCitovat a odpovědět

banjo   
27.12.2018 22:44
Bydliště: Třinec
35 13 
Této proklaté konstrukci jsem věnoval hodně času , ladění rezonancí a povídek Ruslana nic.Pak mi Leonid Volkov otevřel oči
 
Zvláštní ocenění za úsilí nebo přínosPozitivní ohlasy Označit příspěvek Zarážka - Až sem mám přečtenoCitovat a odpovědět

banjo   
27.12.2018 22:51
Bydliště: Třinec
35 13 
MNR
 
Zvláštní ocenění za úsilí nebo přínosPozitivní ohlasy Označit příspěvek Zarážka - Až sem mám přečtenoCitovat a odpovědět

Pafixa    Schval. r.
28.12.2018 16:54
Bydliště: Masada
2464 138 2267 
  banjo napsal(a):    Této proklaté konstrukci jsem věnoval hodně času , ladění rezonancí a povídek Ruslana nic.Pak mi Leonid Volkov otevřel oči

a co dál? Jaká je pointa této story?
 
Zvláštní ocenění za úsilí nebo přínosPozitivní ohlasy Označit příspěvek Zarážka - Až sem mám přečtenoCitovat a odpovědět

Pafixa    Schval. r.
28.12.2018 20:35
Bydliště: Masada
2464 138 2267 
  banjo napsal(a):    MNR

Neznám tuto zkratku... inu nemohu znát vše. Ale pokud jsi zhotovil Akulu podle Kulobachova, tak to mne enormně zajímá. Jsou tam klíčové dvě frekvence, pochopil jsem, že důležitější je ta vf na TT, alespoň to někde tvrdil v nějakém videu Ruslan.

Na kolika MHz ti běhal TT? A měl jsi tam kačera nebo laděný generátor?
 
Zvláštní ocenění za úsilí nebo přínosPozitivní ohlasy Označit příspěvek Zarážka - Až sem mám přečtenoCitovat a odpovědět

banjo   
29.12.2018 10:18
Bydliště: Třinec
35 13 
Ahoj , MNR - magnetická nukleární rezonance, již delší dobu jsem se Kulabuchovi nevěnoval mám pocit , že poslední údaje jsou:
Puš Pul 15 626 Hz , zkoušel jsem i Kačera i Teslu z generátoru 100x výše.
U Kačera se mi nepodařilo získat jednopolární impuls. Musím to znovu oprášit.
 
Zvláštní ocenění za úsilí nebo přínosPozitivní ohlasy Označit příspěvek Zarážka - Až sem mám přečtenoCitovat a odpovědět

Pafixa    Schval. r.
29.12.2018 11:17
Bydliště: Masada
2464 138 2267 
  banjo napsal(a):    Ahoj , MNR - magnetická nukleární rezonance, již delší dobu jsem se Kulabuchovi nevěnoval mám pocit , že poslední údaje jsou: Puš Pul 15 626 Hz , zkoušel jsem i Kačera i Teslu z generátoru 100x výše. U Kačera se...

OK, já to znám jako NMR (nucleus magnetic resonance). Tak to už jsem doma, zdá se.
 
Zvláštní ocenění za úsilí nebo přínosPozitivní ohlasy Označit příspěvek Zarážka - Až sem mám přečtenoCitovat a odpovědět

Poota   
29.12.2018 12:14
Bydliště: Praha
9111 613 7695 
Koukám na tu užitečnost zkratek ...
Ušetří třeba i desítku úderů do klávesnice - a pak se několika málo příspěvky domluvíte na tom, co ta konkrétní zkratka znamená

Přitom by úplně stačilo hned napoprvé zkracovaný výraz naplno vypsat buď s velkými písmeny té zkratky nebo tu zkratku napsat do závorky - a pak už ji klidně používat.
 
Zvláštní ocenění za úsilí nebo přínosPozitivní ohlasy Označit příspěvek Zarážka - Až sem mám přečtenoCitovat a odpovědět

Pafixa    Schval. r.
29.12.2018 13:15
Bydliště: Masada
2464 138 2267 
  Poota napsal(a):    Koukám na tu užitečnost zkratek ... Ušetří třeba i desítku úderů do klávesnice - a pak se několika málo příspěvky domluvíte na tom, co ta konkrétní zkratka znamená Přitom by úplně stačilo hned napoprvé...

No, Pooto, třeba šlo jen o překlep. Když místo KGB napíšu GKB tak nebudeš vědět nic...a to ani nevím co ta zkratka KGB vlastně zkracuje za slova.

https://www.youtube.com/watch?v=CMpzQeFKrYc

No prostě klasika.




 
Zvláštní ocenění za úsilí nebo přínosPozitivní ohlasy Označit příspěvek Zarážka - Až sem mám přečtenoCitovat a odpovědět

Pafixa    Schval. r.
30.12.2018 21:27
Bydliště: Masada
2464 138 2267 
  banjo napsal(a):    Ahoj , MNR - magnetická nukleární rezonance, již delší dobu jsem se Kulabuchovi nevěnoval mám pocit , že poslední údaje jsou: Puš Pul 15 626 Hz , zkoušel jsem i Kačera i Teslu z generátoru 100x výše. U Kačera se...

Tak pokud jde o NMR pro N14, tak je frekvence -36,132 MHz.
Tak jak to zapojení chápu já, tak podstatná je pracovní frekvence sekundáru Teslova trafa, ta by ideálně měla být lichou harmonickou výše uvedené frekvence. Podstatná je právě ta pracovní frekvence sekundáru, pokud se užije kačer, tak ten pracuje na třetině pracovní frekvence vinutí, tedy pracovní frekvence je třetí harmonickou frekvence kačera (viz na schématech f/3 u kačera). Pokud navrhneme TT na f=fNMR, tak by kačer měl mít 12,044 MHz a to vyžaduje už extrémní rychlost spínání tranzistoru.
Ta frekvence Pusch-Pullu by měla být optimální vzhledem k feritu z vychylovaček, současně lichou harmonickou fNMR.To se dá doladit. Klíčem je ale ta VF část. Ta tvá frekvence 15,626 kHz by měla produkovat lichou harmonickou takovou, aby to byla pracovní frekvence sekundáru TT a ještě současně lichou harmonickou fNMR. To je možná překombinované, ale podle mne je klíčová ta pracovní frekvence TT. Ruslanovi to chodilo nejlépe na pracovní frekvenci 1,72 MHz. To by odpovídalo 21.harmonické fNMR.

Vypadá to, že jsi to rychle vzdal, nebo je to jinak? Nebo to počítám špatně? No je to možné, vyzkoušené to nemám zatím.
 
Zvláštní ocenění za úsilí nebo přínosPozitivní ohlasy Označit příspěvek Zarážka - Až sem mám přečtenoCitovat a odpovědět

Pafixa    Schval. r.
30.12.2018 21:41
Bydliště: Masada
2464 138 2267 
No a navíc ta optimální frekvence Pusch-Pullu je vlastně rezonanční frekvence těch vázaných rezonančních obvodů za ním - tedy toho VN kondíku a "granaty" tedy induktoru té bifilární cívky v sérii a přes vzájemnou indukci i toho bifilárního vinutí. A to by v ideálním případě mohlo hrát také roli - tedy že by to měla být nějaká lichá té fNMR.
Z toho mi plyne, že pokud je základem funkce NMR, je to potřeba dobře propočítat, proměřit a navrhnout nebo doladit tak, aby to vše klaplo. Prostě harmonická syntéza.
 
Zvláštní ocenění za úsilí nebo přínosPozitivní ohlasy Označit příspěvek Zarážka - Až sem mám přečtenoCitovat a odpovědět

banjo   
30.12.2018 23:46
Bydliště: Třinec
35 13 
Ahoj Pota, jsi opravdu výborný fyzik, gratruluji .
 
Zvláštní ocenění za úsilí nebo přínosPozitivní ohlasy Označit příspěvek Zarážka - Až sem mám přečtenoCitovat a odpovědět

banjo   
30.12.2018 23:51
Bydliště: Třinec
35 13 
Opravuji svůj omyl ve jménu.
Patří Pafixovi.
 
Zvláštní ocenění za úsilí nebo přínosPozitivní ohlasy Označit příspěvek Zarážka - Až sem mám přečtenoCitovat a odpovědět

banjo   
31.12.2018 00:00
Bydliště: Třinec
35 13 
Mám tu od rusů zajímavé věci
https://youtu.be/KLAPRNWuAn4
 
Přílohy jsou dostupné pouze pro přihlášené uživatele     |     Přihlásit     |     Registrovat 
 


(Dostupné jen pro přihlášené uživatele)
 


(Dostupné jen pro přihlášené uživatele)
Zvláštní ocenění za úsilí nebo přínosPozitivní ohlasy Označit příspěvek Zarážka - Až sem mám přečtenoCitovat a odpovědět

banjo   
31.12.2018 00:44
Bydliště: Třinec
35 13 
Pafixa napsal -Vypadá to, že jsi to rychle vzdal, nebo je to jinak? Nebo to počítám špatně? No je to možné, vyzkoušené to nemám zatím.

Včera jsem se na chvíli ke Kulabuchovi vrátil, připojil napájení a oživil Puš.
Teslu musím předělat, mám tam cívku s mnoha odbočkama pro doladění, v elektronice chybí draivery , chce to ještě nějaký čas.
 
Přílohy jsou dostupné pouze pro přihlášené uživatele     |     Přihlásit     |     Registrovat 
 


(Dostupné jen pro přihlášené uživatele)
 


(Dostupné jen pro přihlášené uživatele)
 


(Dostupné jen pro přihlášené uživatele) 
 
Obrázky není povoleno jakkoli šířit bez souhlasu jejich autora, a to ani v jakékoli upravené formě
 
Zvláštní ocenění za úsilí nebo přínosPozitivní ohlasy Označit příspěvek Zarážka - Až sem mám přečtenoCitovat a odpovědět

Pafixa    Schval. r.
31.12.2018 07:47
Bydliště: Masada
2464 138 2267 
  banjo napsal(a):    Pafixa napsal -Vypadá to, že jsi to rychle vzdal, nebo je to jinak? Nebo to počítám špatně? No je to možné, vyzkoušené to nemám zatím. Včera jsem se na chvíli ke Kulabuchovi vrátil, připojil napájení a oživil...

No to je pořádná "špulka"! Kolik je průměr kostry? Odhadem 7cm? To ta pracovní frekvence TT bude klidně v řádu stovek kHz. Pak by vzala za své teorie s NMR,tedy pravděpodobně.

Ten můj je skromnější:
 
Přílohy jsou dostupné pouze pro přihlášené uživatele     |     Přihlásit     |     Registrovat 
 
Kulabuchov by Pafixa
Kulabuchov by Pafixa
(Dostupné jen pro přihlášené uživatele) 
 
Obrázky není povoleno jakkoli šířit bez souhlasu jejich autora, a to ani v jakékoli upravené formě
 
Zvláštní ocenění za úsilí nebo přínosPozitivní ohlasy Označit příspěvek Zarážka - Až sem mám přečtenoCitovat a odpovědět

Pafixa    Schval. r.
31.12.2018 07:57
Bydliště: Masada
2464 138 2267 
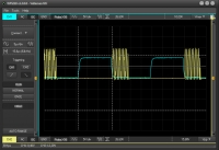
Elektronika mi chodí dobře, jen jsem se zastavil na rozkmitání TT. Budu to muset zkusit s kačerem, původní verze byla s laděným generátorem. To se mi to rozkmitalo jen na sekundu a pak se odpálil MOSFET.
 
Přílohy jsou dostupné pouze pro přihlášené uživatele     |     Přihlásit     |     Registrovat 
 
Max zpoždění
Max zpoždění
(Dostupné jen pro přihlášené uživatele)
 
Min zpoždění
Min zpoždění
(Dostupné jen pro přihlášené uživatele) 
 
Obrázky není povoleno jakkoli šířit bez souhlasu jejich autora, a to ani v jakékoli upravené formě
 
Zvláštní ocenění za úsilí nebo přínosPozitivní ohlasy Označit příspěvek Zarážka - Až sem mám přečtenoCitovat a odpovědět

Pafixa    Schval. r.
31.12.2018 08:03
Bydliště: Masada
2464 138 2267 
  Pafixa napsal(a):    Elektronika mi chodí dobře, jen jsem se zastavil na rozkmitání TT. Budu to muset zkusit s kačerem, původní verze byla s laděným generátorem. To se mi to rozkmitalo jen na sekundu a pak se odpálil MOSFET.

Nebo přemotání TT na větší průměr -je to na 3,2 cm a to je asi moc málo (pracovní frekvence cca 12 MHz, kačer 4 MHz - no a na takovouto frekvenci nemám dost rychlé výkonové tranzistory )
 
Zvláštní ocenění za úsilí nebo přínosPozitivní ohlasy Označit příspěvek Zarážka - Až sem mám přečtenoCitovat a odpovědět

banjo   
01.01.2019 19:57
Bydliště: Třinec
35 13 
Pafixa napsal(a): Elektronika mi chodí dobře, jen jsem se zastavil na rozkmitání TT. Budu to muset zkusit s kačerem, původní verze byla s laděným generátorem. To se mi to rozkmitalo jen na sekundu a pak se odpálil MOSFET.
Ahoj našel jsem plánek mého granátu. Také posílám ověřené a odzkoušené schéma Kačera kterého můžeme modulovat a synchronizovat s Puš pulem. Pro dané zapojení je třeba upravit pracovní bod bipoláru 2SC5200
 
Přílohy jsou dostupné pouze pro přihlášené uživatele     |     Přihlásit     |     Registrovat 
 


(Dostupné jen pro přihlášené uživatele)
 


(Dostupné jen pro přihlášené uživatele)
 


(Dostupné jen pro přihlášené uživatele) 
 
Obrázky není povoleno jakkoli šířit bez souhlasu jejich autora, a to ani v jakékoli upravené formě
 
Zvláštní ocenění za úsilí nebo přínosPozitivní ohlasy Označit příspěvek Zarážka - Až sem mám přečtenoCitovat a odpovědět

  Str.: 1, 2, 3, 4, ... 10  

Psát příspěvky můžete po přihlášení

 
Omforum.cz   |   Nápověda   |   Pravidla fóra   |   Podpořte chod fóra   |   Vytvořil: 2015-2026 Adam Benda
 
 
CC BY-NC-ND 3.0 CZ
Licence Creative Commons
Toto dílo podléhá licenci Creative Commons Uveďte původ-Neužívejte komerčně-Nezpracovávejte 3.0 Česká republika License