Hlavní přehled   |   Info a nápověda Přihlásit   |   Registrovat
 
 

Pokud vás tato problematika zajímá, je velmi vhodné
pročíst si pečlivě celé základní vlákno:

https://www.omforum.cz/forum.php?t=731

 
 
Generátor Figuera - Koncepční detaily, odborná diskuze     (str. 36 z 69)
Sekce: Zdroje energie - Převratné i běžné
   |   Rolovat dolů
Generátor volné energie inspirovaný C. Figuerou; pouze odborná diskuze nad různými koncepčními detaily  Str.: 1, ... 34, 35, 36, 37, 38, ... 69  

Psát příspěvky můžete po přihlášení

Poslední příspěvek z předchozí strany:
Barbucha  Všetečná otázka, was ist das SOA? Nic mě to neříká. A pak ještě jedna maličkost. Jest...

gromit   
08.01.2024 19:28
Bydliště: Hradec Králové
217 25 176 
  Barbucha napsal(a):    Všetečná otázka, was ist das SOA? Nic mě to neříká. A pak ještě jedna maličkost. ..., tak tam musí téct obrovský zkratový proud, který zbytečně " vybíjí " magnetické pole toroidu. Je tak?

https://en.wikipedia.org/wiki/Safe_operating_area
Ten regulátor-toroid podle mě nemůže přepínat nějaké sekce, ale jednotlivé závity vinutí. I tak to musí být mechanicky masakr, aby tam docházelo ke správně načasovanýmu přepínání a zároveň k co nejmenšímu jiskření při zkratování toho závitu = ztrátám.
 
Zvláštní ocenění za úsilí nebo přínosPozitivní ohlasy Označit příspěvek Zarážka - Až sem mám přečtenoCitovat a odpovědět

Barbucha    Schval. r.
08.01.2024 21:25
Bydliště: Pod mostem v Praze
539 30 385 
  gromit napsal(a):    https://en.wikipedia.org/wiki/Safe_operating_area ...

Díky za odkaz. Vím o čem je řeč, akorát jsem to neznal pod touto zkratkou.
 
Zvláštní ocenění za úsilí nebo přínosPozitivní ohlasy Označit příspěvek Zarážka - Až sem mám přečtenoCitovat a odpovědět

Adam   
09.01.2024 16:51
Bydliště: Praha
6414 583 6129 
  fana napsal(a):    Ono to přirovnání k 4 pólovému rotačnímu generátoru je správné, jsou tam dva budící póly, vybuzené na stálou hodnotu "co to jde", a dva rotační póly indukují výstup. Vzdalování a přibližování se těch pólů...

  Energy1 napsal(a):    Velmi dobře, zejména první a třetí odstavec. Na neelektronika klobouk dolů, ...

Fana, tamtou svou zmínkou mimo téma jsem vám vůbec nechtěl nějak "rozbít"
tuto zajímavou diskuzi, kterou jste tu měli. Nenech se vyrušit a pokud
bys k tomu chtěl zase jakkoli navázat... ...
 
Zvláštní ocenění za úsilí nebo přínosPozitivní ohlasy Označit příspěvek Zarážka - Až sem mám přečtenoCitovat a odpovědět

Energy1   
09.01.2024 21:05

1932 112 2026 
  gromit napsal(a):    https://en.wikipedia.org/wiki/Safe_operating_area Ten regulátor-toroid podle mě nemůže přepínat nějaké sekce, ale jednotlivé závity vinutí. I tak to musí být mechanicky masakr, aby tam docházelo ke správně...

Nemusí to být nutně toroid, může to být jakékoliv jiné jádro s nízkým mag. únikem. Ty ztráty nejsou velké tak jak to vypadá, je potřeba si uvědomit, co se tam interně děje. Ale asi už tušíte, proč musí být použita spousta indukčních odboček. Není to spojené jen s formováním sinusoidy, ale také z důvodu snížení ztrát vlivem principu na kterém to pracuje. Proto říkám, že udržet kontakt při 3000ot/min není holá řiť
 
Zvláštní ocenění za úsilí nebo přínosPozitivní ohlasy Označit příspěvek Zarážka - Až sem mám přečtenoCitovat a odpovědět

Adam   
10.01.2024 15:43
Bydliště: Praha
6414 583 6129 
  Energy1 napsal(a):    ... Není to spojené jen s formováním sinusoidy,...

Mám jenom takovou nutkavost, aby tato formulace někoho nezmátla...
Zmínit, že tu ale nejde přímo o klasickou hladkou sinusoidu, ale zkrátka
o kolísání proudu jaksi schodovitě, nahoru a dolu.
Pro elektroniky či matematiky, jako kdybyste klasickou sinusoidu
v čase "navzorkovali" na jednotlivé "schodovité" úrovně.
(To způsobuje/umožňuje rotační rozdělovač)
 
Zvláštní ocenění za úsilí nebo přínosPozitivní ohlasy Označit příspěvek Zarážka - Až sem mám přečtenoCitovat a odpovědět

Energy1   
11.01.2024 08:28

1932 112 2026 
  Adam napsal(a):    Mám jenom takovou nutkavost, aby tato formulace někoho nezmátla... Zmínit, že tu ale nejde přímo o klasickou hladkou sinusoidu, ale zkrátka o kolísání proudu jaksi schodovitě, nahoru a dolu. Pro elektroniky či...

Ne. Žádné schodovité kolísání proudu, ale čistý hladký sinus. Je to dáno poměrem RL obvodu, kdy RL časová konstanta elektromagnetů je mnohem větší než časová konstanta RL indukčních odboček. To způsobuje lineární a kontinuální nárůst proudu bez deformací. Pokud by budící průběh nebyl čistým sinusem, tak na výstupu také nemůže být čistý sinus, protože výstupní proud je derivací primárního průběhu. Ale Figuera dává na sekundáru čistou sinusoidu, která je odrazem primárních mag. polí
 
Zvláštní ocenění za úsilí nebo přínosPozitivní ohlasy Označit příspěvek Zarážka - Až sem mám přečtenoCitovat a odpovědět

Adam   
11.01.2024 10:36
Bydliště: Praha
6414 583 6129 
  Energy1 napsal(a):    Ne. Žádné schodovité kolísání proudu, ale čistý hladký sinus. ... ... Pokud by budící průběh nebyl čistým sinusem, tak na výstupu také nemůže být čistý sinus, protože výstupní proud je derivací primárního průběhu. ...

Pokud tedy podáno takto, jednoznačně opravdu jen čistý sinus může být základem k tomu,
aby se skrze zákonitosti indukce tvořil další sinus (matematická derivace) a celé zařízení
si tedy udržovalo tento průběh jako nosný. Pak by to ale možná chtělo trochu osvětlit,
jak může jít o podstatu čistého sinu s tím, že součástí stroje a orgánem jeho dynamiky
je rotační rozdělovač a jak do toho celého zapadá fotografie, kterou jsi nedávno posílal,
na které byl vidět průběh jednoho "schodu" (byl tam vidět přechodový děj na "schodu").
 
Zvláštní ocenění za úsilí nebo přínosPozitivní ohlasy Označit příspěvek Zarážka - Až sem mám přečtenoCitovat a odpovědět

Energy1   
11.01.2024 14:21

1932 112 2026 
  Adam napsal(a):    Pokud tedy podáno takto, jednoznačně opravdu jen čistý sinus může být základem k tomu, aby se skrze zákonitosti indukce tvořil další sinus (matematická derivace) a celé zařízení si tedy udržovalo tento průběh...

Co vím, tak jsem posílal pouze magnetizační křivku dipólu, žádné dynamické průběhy jsem neposílal. Takže jsme se shodli, aby na výstupu bylo čisté sinusové napětí musí být sinus i na straně buzení, jakékoliv nelinearity se odrazí v sekundáru. Alespoň víte jaké je vodítko pro správný efekt, cokoli jiného, jakékoliv deformace budícího průběhu je špatně. Když se podíváte na YouTube na ty vemena jak přepínají několik odporů a skáčou tam schody jak do nebe, nehledě na nulový efekt a šílené ztráty v indukčním okruhu, tak je to více než úsměvné. Doména YouTube je názorná ukázka toho, jak to nedělat.
 
Zvláštní ocenění za úsilí nebo přínosPozitivní ohlasy Označit příspěvek Zarážka - Až sem mám přečtenoCitovat a odpovědět

Energy1   
13.01.2024 12:21

1932 112 2026 
  gromit napsal(a):    https://en.wikipedia.org/wiki/Safe_operating_area Ten regulátor-toroid podle mě nemůže přepínat nějaké sekce, ale jednotlivé závity vinutí. I tak to musí být mechanicky masakr, aby tam docházelo ke správně...

Doporučuju se podívat na konstrukci regulačních traf, tam jezdec - uhlík překrývá vždy dva závity čímž dochází k závitu nakrátko, ale také k plynulé regulaci napětí bez přerušení a funguje to spolehlivě desítky let viz. regulační transformátory Křižík. Ztráty jsou nízké, protože mezizávitové napětí je nízké a odpor uhlíku relativně velký. Z tohoto důvodu musí mít regulátor Figuery spoustu odboček, aby zdrojové, budící napětí se rozdělilo mezi mnoho odboček a tím se snížilo mezizávitové napětí a výsledné ztráty při mezizávitových zkratech při rotování jezdce.
 
Zvláštní ocenění za úsilí nebo přínosPozitivní ohlasy Označit příspěvek Zarážka - Až sem mám přečtenoCitovat a odpovědět

Energy1   
13.01.2024 13:01

1932 112 2026 
To je také důvod, proč Figuera nechal regulátor vyrobit u firmy Carl Zies v Německu. Byl to v tehdejší době jedinný podnik široko daleko, který měl zkušenosti s výrobou regulačních traf. A regulátor Figuery není ničím jiný než upraveným regulačním trafem..
 
Zvláštní ocenění za úsilí nebo přínosPozitivní ohlasy Označit příspěvek Zarážka - Až sem mám přečtenoCitovat a odpovědět

Energy1   
13.01.2024 18:53

1932 112 2026 
Zatímco mezizávitový zkrat u regulačního trafa prochází jedním stykem, u Figuery je jedna zkratová perioda rozdělena mezi celkový počet lamel. Takže zatížení lamel vlivem závitů nakrátko je velmi malé. Lamely a kartáče jsou zatížené až při přesunu potenciálu mezi sadami elektromagnetů při zapojené zpětné sekundární vazbě.
 
Zvláštní ocenění za úsilí nebo přínosPozitivní ohlasy Označit příspěvek Zarážka - Až sem mám přečtenoCitovat a odpovědět

Kafalovac   
18.01.2024 09:19

194 61 
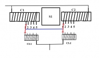
Regulátor
něco mě napadlo.
vinutí spínané/přepínané na regulační části primárního vinutí po sekcích. Bude potřeba, aby bylo po stejných sekcích i na externí indukčnosti.Regulátory by byly dva.
Červeně naznačené je pohyblivý elektrický kontakt. Modře naznačené je mechanické spojení kontaktů. Jezdec se pohybuje stále plynule v pravo a vlevo. Když je jeden primár na maximu tak jeho příslušný regulátor je vybitý a naopak. Pokud je druhuhý primár na minimu, tak jeho příslušný regulátor je na maximálním nabití. Nahoře plus svorka a dole minus svorka. Takto jsou fázově posunuty o 180˚.
Mechanický posun jezdce vparavo a vlevo je jen pro názornější pochopení.

Výhody by byly, že nedochází ke střídavé přemagnetizaci jader regulátoru.
Nevýhoda: regulátory jsou dva..... zatím si neumím představit zapojení zpětné vazby ze sekundárního vinutí
 
Přílohy jsou dostupné pouze pro přihlášené uživatele     |     Přihlásit     |     Registrovat 
 


(Dostupné jen pro přihlášené uživatele) 
 
Obrázky není povoleno jakkoli šířit bez souhlasu jejich autora, a to ani v jakékoli upravené formě
 
Zvláštní ocenění za úsilí nebo přínosPozitivní ohlasy Označit příspěvek Zarážka - Až sem mám přečtenoCitovat a odpovědět

Energy1   
18.01.2024 11:16

1932 112 2026 
Jen bych chtěl dodat, že elektromagnety musí "vidět" přesný poměr indukčnosti. Dva fázové signály po 180st musí být v naprosté shodě, protože se tímto způsobem vytváří pohybové virtuální pole. Stačí malá neshoda/rozdíl ve fázové indukčnosti a pohybové pole se zdegraduje včetně indukce emf. Další věcí pro uvědomění -si, že elektromagnety neobrací polaritu při vybíjení, nabíjení i vybíjení je na stejném znaménku, obrací se pouze směr proudu, kdy v prvním půlcyklu teče proud ze zdroje/regulátoru a v dalším půlcyklu do zdroje, polarita na straně elektromagnetů zůstává a nemění se. To umožňuje indukčním členům pracovat s nejvyšší možnou efektivitou bez hystereze a vířivých proudů. Střídavá polarizace je pouze v externí regulační části, ale tam to vůbec nevadí, protože zde neprobíhá tvorba mag. polí, ale pouze jejich dočasné uchování.
 
Zvláštní ocenění za úsilí nebo přínosPozitivní ohlasy Označit příspěvek Zarážka - Až sem mám přečtenoCitovat a odpovědět

Kafalovac   
19.01.2024 09:40

194 61 
Z uvedených technických "střípkú" je jasné, že figuera klade maximální úsilí na hospodárné využití energie a maximální rekuperaci. Je to zde i nesčetněkrát zmíněno.
Otázkou bude jak docílit maximální efektivitu při spínání přes rotační spínač. Bude nutné spínat odbočky jen na externí indukčnosti? nebo jen na regulované části primáru? Nebo na obou?

Ještě zajímavá myšlenka kolik procet energie může rekuperovat pomocí rotačního spínače a kolik mimo něj? Je to přibližně nastejno, nebo ne?
 
Zvláštní ocenění za úsilí nebo přínosPozitivní ohlasy Označit příspěvek Zarážka - Až sem mám přečtenoCitovat a odpovědět

Energy1   
19.01.2024 11:54

1932 112 2026 
  Kafalovac napsal(a):    Z uvedených technických "střípkú" je jasné, že figuera klade maximální úsilí na hospodárné využití energie a maximální rekuperaci. Je to zde i nesčetněkrát zmíněno. Otázkou bude jak docílit maximální...

Externí indukčnosti se říká externí z toho důvodu, že je to samostatná část mimo primární elektromagnety. Ale tato indukčnost je součástí primárního obvodu, protože je s primárem přímo spojená. Takže i když přepínáš externí indukčnost, přepínáš tím parametry primáru. Druhé otázce nerozumím
 
Zvláštní ocenění za úsilí nebo přínosPozitivní ohlasy Označit příspěvek Zarážka - Až sem mám přečtenoCitovat a odpovědět

Jim68   
19.01.2024 22:07
Bydliště: Praha
175 11 110 
  Energy1 napsal(a):    Jen bych chtěl dodat, že elektromagnety musí "vidět" přesný poměr indukčnosti. Dva fázové signály po 180st musí být v naprosté shodě, protože se tímto způsobem vytváří pohybové virtuální pole. Stačí malá...

Ano... Prosím jak"leze do zdroje"??? Nechci být puntickář, ale za jedno je už ten proud fuč, pač vyrobil indukovane pole, za druhé je ten elektromagnet odpojen(pamatujeme-rotační spínač fofruje, určitě není pozice na rekuperaci, že?), za třetí, kam by ji ten zdroj uložil? A proč by tam vůbec lezla nějaká energie, když je slabší, než ta ve zdroji? Rekuperace přece probíhá vyšším napětím, než má zdroj... To jen tak, na okraj této větvící se technické raritky👍... Autorovi přeji hodně úspěchů, čte se to jako Souček, paráda!
 
Zvláštní ocenění za úsilí nebo přínosPozitivní ohlasy Označit příspěvek Zarážka - Až sem mám přečtenoCitovat a odpovědět

Energy1   
19.01.2024 23:53

1932 112 2026 
  Jim68 napsal(a):    Ano... Prosím jak"leze do zdroje"??? Nechci být puntickář, ale za jedno je už ten proud fuč, pač vyrobil indukovane pole, za druhé je ten elektromagnet odpojen(pamatujeme-rotační spínač fofruje, určitě není...

Malá otázka, co se stane, když zdroj nabije elektromagnet a začne snižovat napětí? Nestane se náhodou v tento moment zdrojem elektromagnet? Nezačne se náhodou vybuzený dipól bránit změně a zvyšovat svorkové napětí? Nedá se náhodou uložit energie do mag. pole? A není náhodou budící proud generátoru pouze médiem, který se po splnění úkolu vrací zpět do zdroje odkud vzešel? Zamysli se
 
Zvláštní ocenění za úsilí nebo přínosPozitivní ohlasy Označit příspěvek Zarážka - Až sem mám přečtenoCitovat a odpovědět

Kafalovac   
20.01.2024 10:43

194 61 
  Energy1 napsal(a):    Ale tato indukčnost je součástí primárního obvodu, protože je s primárem přímo spojená. Takže i když přepínáš externí indukčnost, přepínáš tím parametry primáru. Druhé otázce nerozumím

Já tomu také přestávám rozumnět....
Asi někdy nechápu některé formulace a vyjádření (a možná i ode mě je to někdy složitější pochopit)....
Měl jsem zato že externí indukčnost je externí, a s primárním či sekundárním jádrem nemá žádnou magnetickou vazbu.
Má tedy externí indukčnost vzájemnou magnetickou vazbu s primárním jádrem nebo nemá?
Dosud jsem chápal, že má vazbu s primárem jen elektrickou je to tak?
 
Zvláštní ocenění za úsilí nebo přínosPozitivní ohlasy Označit příspěvek Zarážka - Až sem mám přečtenoCitovat a odpovědět

dub042   
20.01.2024 11:03

46 22 
  Kafalovac napsal(a):    Já tomu také přestávám rozumnět.... Asi někdy nechápu některé formulace a vyjádření (a možná i ode mě je to někdy složitější pochopit).... Měl jsem zato že externí indukčnost je externí, a s primárním či...

Ty cívky jsou zapojeny sériově levej primár - externí indukčnost - pravej primár.
 
Zvláštní ocenění za úsilí nebo přínosPozitivní ohlasy Označit příspěvek Zarážka - Až sem mám přečtenoCitovat a odpovědět

fana   
20.01.2024 17:22
Bydliště: uprostřed
300 14 187 
Pro magnetizační energii jsou ty poloviny obvodu a externí indukčnost sériový obvod. (jednu půlperiodu levá-pravá-externí, pro druhou půlperiodu obráceně) Obrazně asi levá stoupá = spotřebič - pravá klesá = zdroj - externí umožňuje ten děj, je zároveň zdrojem pro levou a spotřebičem pro pravou.

A kdo mi to ukáže?
 
Zvláštní ocenění za úsilí nebo přínosPozitivní ohlasy Označit příspěvek Zarážka - Až sem mám přečtenoCitovat a odpovědět

  Str.: 1, ... 34, 35, 36, 37, 38, ... 69  

Psát příspěvky můžete po přihlášení

Pokud vás tato problematika zajímá, je velmi vhodné
pročíst si pečlivě celé základní vlákno:

https://www.omforum.cz/forum.php?t=731

 
 
 
Omforum.cz   |   Nápověda   |   Pravidla fóra   |   Podpořte chod fóra   |   Vytvořil: 2015-2026 Adam Benda
 
 
CC BY-NC-ND 3.0 CZ
Licence Creative Commons
Toto dílo podléhá licenci Creative Commons Uveďte původ-Neužívejte komerčně-Nezpracovávejte 3.0 Česká republika License